Principle and characteristics of coconut sheller
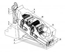
2021-04-131、 Operation principle : Coconut sheller is a semi-automatic device to remove the hard outer layer of the palm. The machine is mainly composed of round cutter head, carbide cutter head, wedge-shaped leaf cutter and reduction motor. During...




